Nom

Paramètres

Forme de CT

Nom de CT dans SCIA Engineer

Profil I

H; Bh; Bs; ts; th; s

082_StructuralAnalysisFormat00265.jpg 

I ng (H; Bh; Bs; ts; th; s)

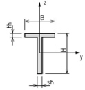
Profil T

H; B; th; sh

082_StructuralAnalysisFormat00268.jpg 

T g (H; B; th; sh)

Profil L

H; B; th; sh

082_StructuralAnalysisFormat00271.jpg 

L g (H; B; th; sh)

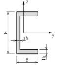
Profil U

H; B; th; sh

082_StructuralAnalysisFormat00274.jpg 

U g (H; B; th; sh)

Ovale

H; B

082_StructuralAnalysisFormat00277.jpg 

Ovale (H; B)

Tuyau

D; t

082_StructuralAnalysisFormat00280.jpg 

Tube (D; t)

Profil Z

A; tha; B; thb1; thb2; C

082_StructuralAnalysisFormat00283.jpg 

Z (A; tha; B, thb1; thb2; C)

Parallélépipède

A; tha; B; thb1; thb2

082_StructuralAnalysisFormat00286.jpg 

O (A; tha; B; thb)

Coupes transversales paramétriques SAF reconnues par ARCHICAD