Name:

Parameter

CS-Form

CS-Name in SCIA Engineer

I-Profil

H; Bh; Bs; ts; th; s

082_StructuralAnalysisFormat00265.jpg 

I ng (H; Bh; Bs; ts; th; s)

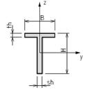
T-Profil

H; B; th; sh

082_StructuralAnalysisFormat00268.jpg 

T g (H; B; th; sh)

L-Profil

H; B; th; sh

082_StructuralAnalysisFormat00271.jpg 

L g (H; B; th; sh)

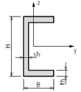
U-Profil

H; B; th; sh

082_StructuralAnalysisFormat00274.jpg 

U g (H; B; th; sh)

Oval

H; B

082_StructuralAnalysisFormat00277.jpg 

Oval (H; B)

Rohr

D; t

082_StructuralAnalysisFormat00280.jpg 

Röhre (D; t)

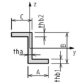
Z-Profil

A; tha; B; thb1; thb2; C

082_StructuralAnalysisFormat00283.jpg 

Z (A; tha; B, thb1; thb2; C)

Kasten

A; tha; B; thb1; thb2

082_StructuralAnalysisFormat00286.jpg 

O (A; tha; B; thb)

Parametrische SAF-Querschnitte, die von ARCHICAD erkannt werden