Имя

Параметры

Форма ПС

Наименование ПС в SCIA Engineer

Двутавр

H; Bh; Bs; ts; th; s

082_StructuralAnalysisFormat00265.jpg 

I ng (H; Bh; Bs; ts; th; s)

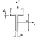
Тавр

H; B; th; sh

082_StructuralAnalysisFormat00268.jpg 

T g (H; B; th; sh)

Уголок

H; B; th; sh

082_StructuralAnalysisFormat00271.jpg 

L g (H; B; th; sh)

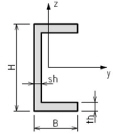
Швеллер

H; B; th; sh

082_StructuralAnalysisFormat00274.jpg 

U g (H; B; th; sh)

Овал

H; B

082_StructuralAnalysisFormat00277.jpg 

Oval (H; b)

Труба

D; в

082_StructuralAnalysisFormat00280.jpg 

Tube (D; t)

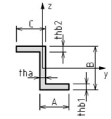
Z-профиль

A; tha; B; thb1; thb2; С

082_StructuralAnalysisFormat00283.jpg 

Z (A; tha; B, thb1; thb2; c)

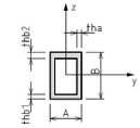
Прямоугольник

A; tha; B; thb1; thb2

082_StructuralAnalysisFormat00286.jpg 

O (A; tha; B; thb)

Распознаваемые в ARCHICAD Параметрические Поперечные Сечения (ПС) SAF