Nombre

Parámetros

Forma de la Sección

Nombre de la Sección en SCIA Engineer

Sección I

H; Bh; Bs; ts; th; s

082_StructuralAnalysisFormat00265.jpg 

I ng (H; Bh; Bs; ts; th; s)

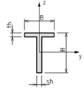
Sección T

H; B; th; sh

082_StructuralAnalysisFormat00268.jpg 

T g (H; B; th; sh)

Sección L

H; B; th; sh

082_StructuralAnalysisFormat00271.jpg 

L g (H; B; th; sh)

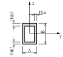
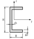
Sección U

H; B; th; sh

082_StructuralAnalysisFormat00274.jpg 

U g (H; B; th; sh)

Oval

H; B

082_StructuralAnalysisFormat00277.jpg 

Oval (H; B)

Tubo

D; t

082_StructuralAnalysisFormat00280.jpg 

Tubo (D; t)

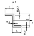
Sección Z

A; tha; B; thb1; thb2; C

082_StructuralAnalysisFormat00283.jpg 

Z (A; tha; B, thb1; thb2; C)

Cuadrado

A; tha; B; thb1; thb2

082_StructuralAnalysisFormat00286.jpg 

O (A; tha; B; thb)

Secciones SAF Paramétricas Reconocidas por ARCHICAD