名稱

參數

CS形狀

SCIA引擎中的CS名稱

I 剖面

H; Bh; Bs; ts; th; 南

082_StructuralAnalysisFormat00265.jpg 

I ng (H; Bh; Bs; ts; th; s)

T型截面

H; B; th; sh

082_StructuralAnalysisFormat00268.jpg 

T g (H; B; th; sh)

L 剖面

H; B; th; sh

082_StructuralAnalysisFormat00271.jpg 

L g (H; B; th; sh)

U 剖面

H; B; th; sh

082_StructuralAnalysisFormat00274.jpg 

U g (H; B; th; sh)

橢圓

H; B

082_StructuralAnalysisFormat00277.jpg 

橢圓 (H; b)

水管

D; T

082_StructuralAnalysisFormat00280.jpg 

管道 (D; t)

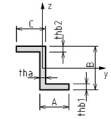
Z 剖面

A; tha; B; thb1; thb2; C

082_StructuralAnalysisFormat00283.jpg 

Z (A; tha; B, thb1; thb2; C)

方框

A; tha; B; thb1; thb2

082_StructuralAnalysisFormat00286.jpg 

O (A; tha; B; thb)

被ARCHICAD識別的參數化SAF橫截面