Parametrické SAF průřezy, které rozpozná ARCHICAD

Jméno

Parametry

Tvar průřezu

Jméno průřezu ve Scia Engineer

Průřez I

H; Bh; Bs; ts; th; s

091_StructuralAnalysisFormat00293.jpg 

I ng (H; Bh; Bs; ts; th; s)

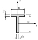
Průřez T

H; B; th; sh

091_StructuralAnalysisFormat00296.jpg 

T g (H; B; th; sh)

Průřez L

H; B; th; sh

091_StructuralAnalysisFormat00299.jpg 

L g (H; B; th; sh)

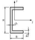
Průřez U

H; B; th; sh

091_StructuralAnalysisFormat00302.jpg 

U g (H; B; th; sh)

Ovál

H; B

091_StructuralAnalysisFormat00305.jpg 

Oválný (H; B)

Trubka

D; D

091_StructuralAnalysisFormat00308.jpg 

Trubky (D; t)

Průřez Z

A; tha; B; thb1; thb2; C

091_StructuralAnalysisFormat00311.jpg 

Z (A; tha; B, thb1; thb2; C)

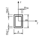
Kvádr

A; tha; B; thb1; thb2

091_StructuralAnalysisFormat00314.jpg 

O (A; tha; B; thb)