被Archicad识别的参数化SAF横截面

在Archicad Start Edition 2023中不可用

名称

参数

CS形状

SCIA引擎中的CS名称

I 剖面

H; Bh; Bs; ts; th; 南

091_StructuralAnalysisFormat00318.jpg 

I ng (H; Bh; Bs; ts; th; s)

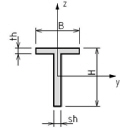
T型截面

H; B; th; sh

091_StructuralAnalysisFormat00321.jpg 

T g (H; B; th; sh)

L 剖面

H; B; th; sh

091_StructuralAnalysisFormat00324.jpg 

L g (H; B; th; sh)

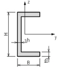
U 剖面

H; B; th; sh

091_StructuralAnalysisFormat00327.jpg 

U g (H; B; th; sh)

椭圆

H; B

091_StructuralAnalysisFormat00330.jpg 

椭圆 (H; b)

排水管

D; T

091_StructuralAnalysisFormat00333.jpg 

管道 (D; t)

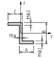
Z 剖面

A; tha; B; thb1; thb2; C

091_StructuralAnalysisFormat00336.jpg 

Z (A; tha; B, thb1; thb2; C)

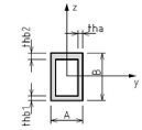
方框

A; tha; B; thb1; thb2

091_StructuralAnalysisFormat00339.jpg 

O (A; tha; B; thb)