Archicad가 인식하는 파라메트릭 SAF 횡단면

이름

매개변수

CS 형

CS 이름 (SCIA Engineer 내)

I 단면

H; Bh; Bs; ts; th; s

091_StructuralAnalysisFormat00315.jpg 

I ng (H; Bh; Bs; ts; th; s)

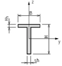
T 단면

H; B; th; sh

091_StructuralAnalysisFormat00318.jpg 

T g (H; B; th; sh)

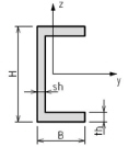
L 섹션

H; B; th; sh

091_StructuralAnalysisFormat00321.jpg 

L g (H; B; th; sh)

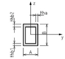
U 단면

H; B; th; sh

091_StructuralAnalysisFormat00324.jpg 

U g (H; B; th; sh)

타원형

H; B

091_StructuralAnalysisFormat00327.jpg 

타원형 (H; B)

파이프

D; t

091_StructuralAnalysisFormat00330.jpg 

튜브 (D; t)

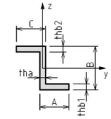
Z 단면

A; tha; B; thb1; thb2; C

091_StructuralAnalysisFormat00333.jpg 

Z (A; tha; B, thb1; thb2; C)

박스형

A; tha; B; thb1; thb2

091_StructuralAnalysisFormat00336.jpg 

O (A; tha; B; thb)