Guias de Distância

Use as guias de distância para inserir e mover elementos com precisão na Planta, com as guias pop-up que mostram distâncias dinâmicas dos elementos no "contexto" ao redor. Você pode usar as Guias de Distância durante e após a colocação do elemento.

DistanceGuideNFG.gif 

Ativar Guias de Distância

As Guias de Distância estão ativadas por padrão.

Ligue-os ou desligue-os das seguintes maneiras:

Visualização > Guias de Distância

Opções > Ambiente de Trabalho > Orientador e Entrada de Coordenadas

Alternar Barra de Ferramentas

DistanceGuidesToolbarToggle.png 

Definir Preferências do Guias de Distância

A partir da Barra de Ferramentas Alternar:

DistanceGuidesToolbar.png 

Defina se as guias devem ser medidas a partir das bordas dos elementos ou de suas linhas de referência

Defina quais pontos de referência de porta/janela serão usados. Consulte Pontos de referência de Porta/Janela.

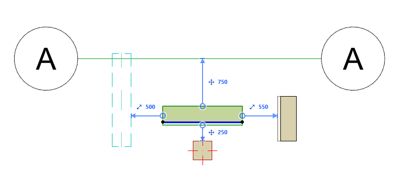
Quais elementos exibem as Guias de Distância?

Os seguintes elementos de "contexto" mostram as Guias de Distância quando você seleciona ou insere um elemento autônomo:

ContextElements1.png 

Grelha (sem a parte do marcador)

Parede

Viga

Pilar

Guias de Distância - Prioridade

Quando vários tipos de elementos (visíveis no zoom atual) podem ser usados como elementos de contexto, as Guias de Distancia "preferem" os elementos na seguinte ordem:

ContextElementPriority1.gif 

1.Linhas Guias

2.Paredes

3.Vigas

4.Pilares

Use Guias de Distância para editar o elemento selecionado

1.Selecione um único elemento dos seguintes tipos na Planta (elementos curvos não são suportados):

Parede

Viga

Pilar

Porta/Janela

Abertura

2.Edite a localização do elemento selecionado usando o Orientador, aproveitando o feedback das Guias de Distância.

Consulte Entrada de elementos Usando o Orientador.

Nota sobre as Guias de Distância com paredes e vigas

Ao usar as Guias de Distância para "mover" esses elementos longitudinalmente, eles se esticarão ou encolherão (em vez de se moverem de um lugar para outro). Como resultado, as paredes e vigas conectadas não se quebrarão.

Usar Guias de Distância para entrada de elementos

1.Ative uma das seguintes ferramentas de elemento:

Parede

Viga

Pilar

Porta/Janela

Abertura

2.Defina a localização do cursor usando o Orientador. Você deve usar o teclado para inserir o Orientador e editar os valores.

3.As Guias de Distância indicam a distância perpendicular entre a posição do cursor e os elementos de "contexto" ao redor. (Não há suporte para elementos Curvos)

Nota: A posição do cursor que você define é o ponto inicial do eixo/linha de Referência do novo elemento.

Linha de Referência da Parede

Eixo de Referência da Viga

Cortes na Terminação do Pilar e Eixo de Referência

Revincular a Guia de Distancia a outra aresta de referência

Para um elemento selecionado na Planta, você pode vincular manualmente o Guia de Distância a outra borda.

1.Aponte o cursor para a ponta da seta no final da linha da Guia de Distância

2.Passe o mouse para ver o feedback

3.Clique na seta para editá-la

4.Clique em qualquer borda válida (qualquer borda de elemento projetada que seja paralela ao elemento selecionado ou perpendicular à Guias de Distância)

RelinkDG1.gif 

Pontos de referência de Porta/Janela

Escolha quais pontos de referência de porta/janela a serem usados:

Para pontos finais de tamanho nominal: Meça desde os pontos finais do tamanho nominal da seleção até o ponto final do tamanho nominal do elemento de referência das Portas/Janelas, se aplicável

Para centralizar: Meça do ponto central da seleção até o centro do elemento de referência das Portas/Janelas, se aplicável

DistanceGuidesReferencePoints.gif