Parametrické SAF průřezy, které rozpozná Archicad

Jméno

Parametry

Tvar průřezu

Jméno průřezu ve Scia Engineer

Průřez I

H; Bh; Bs; ts; th; s

091_StructuralAnalysisFormat00320.jpg 

I ng (H; Bh; Bs; ts; th; s)

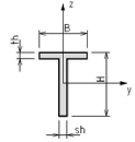
Průřez T

H; B; th; sh

091_StructuralAnalysisFormat00323.jpg 

T g (H; B; th; sh)

Průřez L

H; B; th; sh

091_StructuralAnalysisFormat00326.jpg 

L g (H; B; th; sh)

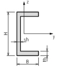
Průřez U

H; B; th; sh

091_StructuralAnalysisFormat00329.jpg 

U g (H; B; th; sh)

Ovál

H; B

091_StructuralAnalysisFormat00332.jpg 

Oválný (H; B)

Trubka

D; D

091_StructuralAnalysisFormat00335.jpg 

Trubky (D; t)

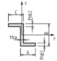
Průřez Z

A; tha; B; thb1; thb2; C

091_StructuralAnalysisFormat00338.jpg 

Z (A; tha; B, thb1; thb2; C)

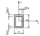
Kvádr

A; tha; B; thb1; thb2

091_StructuralAnalysisFormat00341.jpg 

O (A; tha; B; thb)