Coupes transversales paramétriques SAF reconnues par Archicad

Nom

Paramètres

Forme de CT

Nom de CT dans SCIA Engineer

Profil I

H; Bh; Bs; ts; th; s

091_StructuralAnalysisFormat00320.jpg 

I ng (H; Bh; Bs; ts; th; s)

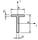
Profil T

H; B; th; sh

091_StructuralAnalysisFormat00323.jpg 

T g (H; B; th; sh)

Profil L

H; B; th; sh

091_StructuralAnalysisFormat00326.jpg 

L g (H; B; th; sh)

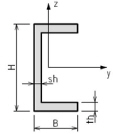
Profil U

H; B; th; sh

091_StructuralAnalysisFormat00329.jpg 

U g (H; B; th; sh)

Ovale

H; B

091_StructuralAnalysisFormat00332.jpg 

Ovale (H; B)

Tuyau

D; t

091_StructuralAnalysisFormat00335.jpg 

Tube (D; t)

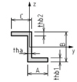
Profil Z

A; tha; B; thb1; thb2; C

091_StructuralAnalysisFormat00338.jpg 

Z (A; tha; B, thb1; thb2; C)

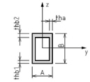
Parallélépipède

A; tha; B; thb1; thb2

091_StructuralAnalysisFormat00341.jpg 

O (A; tha; B; thb)