Abstandshilfen

Verwenden Sie Abstandshilfen, um Elemente auf dem Grundriss genau zu platzieren und zu verschieben, mit Popup-Hilfen, die dynamisch Abstände zu benachbarten Elementen anzeigen. Sie können Abstandshilfen sowohl während als auch nach der Elementplatzierung verwenden.

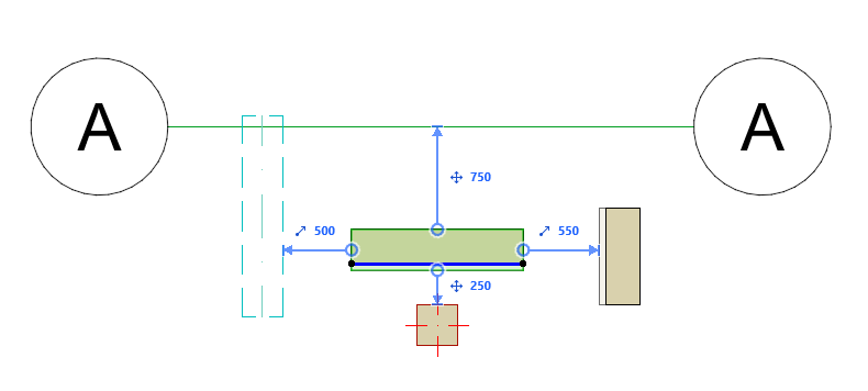
DistanceGuideNFG.gif 

Abstandshilfe aktivieren

Abstandshilfen sind standardmässig aktiviert.

Schalten Sie sie wie folgt ein oder aus:

Ansicht > Abstandshilfen

Optionen > Arbeitsumgebung > Tracker und Koordinateneingabe

Symbolleisten-Befehl

DistanceGuidesToolbarToggle.png 

Voreinstellungen für Abstandshilfen festlegen

Von der Symbolleiste aus:

DistanceGuidesToolbar.png 

Legen Sie fest, ob Abstände von Elementkanten oder ihren Referenzlinien gemessen werden sollen

Legen Sie fest, welche Tür-/Fenster-Referenzpunkte verwendet werden sollen. Siehe Tür-/Fenster-Referenzpunkte.

Für welche Elemente werden Abstandshilfen angezeigt?

Nach ihrer Platzierung oder Selektion zeigen die folgenden Elemente Abstandshilfen an:

ContextElements1.png 

Raster (ohne den Marker-Teil)

Wand

Träger

Stütze

Abstandshilfen - Priorität

Wenn mehrere Elementtypen als Kontextelemente verwendet werden können, „bevorzugt“ die Abstandshilfe Elemente in der folgenden Reihenfolge:

ContextElementPriority1.gif 

1.Rasterlinien

2.Wände

3.Träger

4.Stützen

Verwenden Sie die Abstandshilfe, um ein ausgewähltes Element zu bearbeiten

1.Wählen Sie im Grundriss ein Element der folgenden Typen aus (gekrümmte Elemente werden nicht unterstützt):

Wand

Träger

Stütze

Fenster/Tür

Öffnung

2.Bearbeiten Sie die Position des ausgewählten Elements mithilfe des Eingabe-Trackers und nutzen Sie dabei das Feedback der Abstandshilfe.

Siehe Element-Eingabe über Eingabe-Tracker.

Hinweis zu Abstandshilfen mit Wänden und Trägern

Wenn Sie diese Elemente mit Abstandshilfen in Längsrichtung "verschieben", werden sie gestreckt oder gekürzt (statt bewegt). Wand- und Trägerverbindungen bleiben dabei erhalten.

Abstandshilfen für die Elementeingabe verwenden

1.Aktivieren Sie eines der folgenden Werkzeuge für die Elemente:

Wand

Träger

Stütze

Fenster/Tür

Öffnung

2.Definieren Sie die Position des Cursors mithilfe des Eingabe-Trackers. Sie müssen die Werte für den Eingabe-Tracker über die Tastatur eingeben und bearbeiten.

3.Abstandshilfen geben den Abstand von der Cursorposition zu den umgebenden „Kontext“-Elementen in X- und Y-Richtung an. (Gekrümmte Elemente werden nicht unterstützt.)

Hinweis: Die von Ihnen definierte Cursorposition ist der Startpunkt der Referenzlinie/-achse des neuen Elements.

Wand-Referenzlinie

Träger-Referenzachse

Stützen-Endschnitte und Referenzachse

Verknüpfen Sie die Abstandshilfe neu mit einer anderen Referenzkante

Für ein ausgewähltes Element im Grundriss können Sie die Abstandshilfe manuell mit einer anderen Kante neu verknüpfen.

1.Bewegen Sie den Cursor auf den Pfeilmarker am Ende der Abstandshilfen-Linie

2.Der Pfeilmarker wechselt von blau zu weiss

3.Klicken Sie auf den Pfeilmarker, um ihn verschieben zu können

4.Klicken Sie auf eine gültige Kante (jede Elementkante, die parallel zum ausgewählten Element oder senkrecht zur Abstandshilfslinie liegt)

RelinkDG1.gif 

Tür-/Fenster-Referenzpunkte

Wählen Sie die zu verwendenden Tür-/Fenster-Referenzpunkte:

Zu den Endpunkten des Nominalmasses: Misst von den Nominalmass-Endpunkten der Auswahl bis zum Nominalmass-Endpunkt des referenzierten Tür-/Fensterelements (falls möglich)

Zur Mitte: Misst vom Mittelpunkt der Auswahl zum Mittelpunkt des referenzierten Tür-/Fensterelements (falls möglich)

DistanceGuidesReferencePoints.gif