Az Archicad által felismert parametrikus SAF keresztmetszetek

Név

Paraméterek

Keresztmetszet alakja

Keresztmetszet neve (SCIA Engineer)

I szelvény

H; Bh; Bs; ts; th; s

091_StructuralAnalysisFormat00320.jpg 

I ng (H; Bh; Bs; ts; th; s)

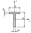
T szelvény

H; B; th; sh

091_StructuralAnalysisFormat00323.jpg 

T g (H; B; th; sh)

L szelvény

H; B; th; sh

091_StructuralAnalysisFormat00326.jpg 

L g (H; B; th; sh)

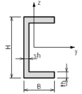
U metszet

H; B; th; sh

091_StructuralAnalysisFormat00329.jpg 

U g (H; B; th; sh)

Ovális

H; B

091_StructuralAnalysisFormat00332.jpg 

Ovális (H; B)

Cső

D; t

091_StructuralAnalysisFormat00335.jpg 

Cső (D; t)

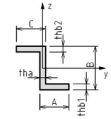
Z szelvény

A; tha; B; thb1; thb2; C

091_StructuralAnalysisFormat00338.jpg 

Z (A; tha; B, thb1; thb2; C)

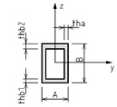
Doboz

A; tha; B; thb1; thb2

091_StructuralAnalysisFormat00341.jpg 

O (A; tha; B; thb)