Archicadで認識されるパラメトリックタイプのSAF断面

名前

パラメータ

CS形状

SCIA EngineerでのCS名

I断面

H、Bh、Bs、ts、th、s

091_StructuralAnalysisFormat00310.jpg 

I ng(H、Bh、Bs、ts、th、s)

T断面

H、B、th、sh

091_StructuralAnalysisFormat00313.jpg 

T g(H、B、th、sh)

L断面

H、B、th、sh

091_StructuralAnalysisFormat00316.jpg 

L g(H、B、th、sh)

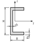
U断面

H、B、th、sh

091_StructuralAnalysisFormat00319.jpg 

U g(H、B、th、sh)

楕円

H、B

091_StructuralAnalysisFormat00322.jpg 

楕円(H、B)

パイプ

D、t

091_StructuralAnalysisFormat00325.jpg 

チューブ(D、t)

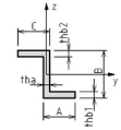
Z断面

A、tha、B、thb1、thb2、C

091_StructuralAnalysisFormat00328.jpg 

Z(A、tha、B, thb1、thb2、C)

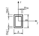
ボックス

A、tha、B、thb1、thb2

091_StructuralAnalysisFormat00331.jpg 

O(A、tha、B、thb)