被Archicad識別的參數化SAF橫截面

名稱

參數

CS形狀

SCIA引擎中的CS名稱

I 剖面

H; Bh; Bs; ts; th; 南

091_StructuralAnalysisFormat00320.jpg 

I ng (H; Bh; Bs; ts; th; s)

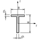
T型截面

H; B; th; sh

091_StructuralAnalysisFormat00323.jpg 

T g (H; B; th; sh)

L 剖面

H; B; th; sh

091_StructuralAnalysisFormat00326.jpg 

L g (H; B; th; sh)

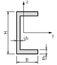
U 剖面

H; B; th; sh

091_StructuralAnalysisFormat00329.jpg 

U g (H; B; th; sh)

橢圓

H; B

091_StructuralAnalysisFormat00332.jpg 

橢圓 (H; b)

排水管

D; T

091_StructuralAnalysisFormat00335.jpg 

管道 (D; t)

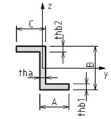
Z 剖面

A; tha; B; thb1; thb2; C

091_StructuralAnalysisFormat00338.jpg 

Z (A; tha; B, thb1; thb2; C)

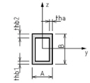
方框

A; tha; B; thb1; thb2

091_StructuralAnalysisFormat00341.jpg 

O (A; tha; B; thb)