Οδηγοί Απόστασης

Χρησιμοποιήστε Οδηγούς Απόστασης για την ακριβή εισαγωγή και μετακίνηση στοιχείων στην κάτοψη, με αναδυόμενους οδηγούς που δείχνουν δυναμικές αποστάσεις από τα γύρω “σχετικά” στοιχεία. Μπορείτε να χρησιμοποιήσετε τους Οδηγούς Απόστασης τόσο κατά τη διάρκεια τοποθέτησης των στοιχείων όσο και μετά από αυτήν.

DistanceGuideNFG.gif 

Ενεργοποίηση Οδηγών Απόστασης

Οι Οδηγοί Απόστασης είναι ενεργοποιημένοι, εξ ορισμού.

Ενεργοποιήστε ή απενεργοποιήστε τους με τους ακόλουθους τρόπους:

Άποψη > Οδηγοί Απόστασης

Επιλογές > Περιβάλλον Εργασίας > Ιχνηλάτης και Εισαγωγή Συντεταγμένων

Διακόπτη γραμμής Εργαλείων

Το χρώμα του Οδηγού Απόστασης προσαρμόζεται στο Επιλογές > Περιβάλλον Εργασίας > Ιχνηλάτης και Εισαγωγή Συντεταγμένων 

DistanceGuidesToolbarToggle.png 

Ρύθμιση Προτιμήσεων Οδηγού Απόστασης

Από τον διακόπτη γραμμής εργαλείων:

DistanceGuidesToolbar.png 

Ορίστε εάν οι οδηγοί θα πρέπει να μετρούν από τις ακμές των στοιχείων ή από τις γραμμές αναφοράς τους

Ορίστε ποια σημεία αναφοράς πόρτας/παραθύρου θα χρησιμοποιηθούν. Δείτε: Σημεία Αναφοράς Πόρτας/Παραθύρου.

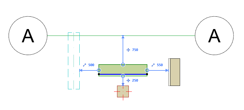
Ποια στοιχεία εμφανίζουν Οδηγούς Απόστασης;

Τα ακόλουθα “σχετικά” στοιχεία εμφανίζουν Οδηγούς Απόστασης όταν επιλέγετε ή εισάγετε ένα αυτόνομο στοιχείο:

ContextElements1.png 

Κάνναβος (χωρίς το τμήμα του σημαδιού)

Τοίχος

Δοκός

Υποστύλωμα

Οδηγοί Απόστασης - Προτεραιότητα

Όταν διάφοροι τύποι στοιχείων (ορατοί στο τρέχον zoom) μπορούν να χρησιμοποιηθούν όλοι ως 'σχετικά' στοιχεία, οι Οδηγοί Απόστασης "προτιμούν" τα στοιχεία με την ακόλουθη σειρά:

ContextElementPriority1.gif 

1.Γρ. Πλέγματος

2.Walls

3.Δοκοί

4.Columns

Χρήση Οδηγών Απόστασης για επεξεργασία επιλεγμένου στοιχείου

1.Επιλέξτε ένα μεμονωμένο στοιχείο από τους ακόλουθους τύπους στην Κάτοψη (τα καμπύλα στοιχεία δεν υποστηρίζονται):

Τοίχος

Δοκός

Υποστύλωμα

Παράθυρο/Πόρτα

Άνοιγμα

2.Επεξεργαστείτε τη θέση του επιλεγμένου στοιχείου χρησιμοποιώντας τον Ιχνηλάτη, εκμεταλλευόμενοι την ανατροφοδότηση από τους Οδηγούς Απόστασης.

Δείτε: Εισαγωγή Στοιχείων Χρησιμοποιώντας τον Ιχνηλάτη.

Σημείωση για Οδηγούς Απόστασης με τοίχους και δοκούς

Όταν χρησιμοποιείτε Οδηγούς Απόστασης για να "μετακινήσετε" αυτά τα στοιχεία κατά μήκος, αυτά θα τεντώνονται ή θα συρρικνώνονται (αντί να μετακινούνται από το ένα σημείο στο άλλο). Με αποτέλεσμα, οι συνδεδεμένοι τοίχοι και τα δοκάρια να μην "σπάνε".

Χρήση Οδηγών Απόστασης για την εισαγωγή στοιχείων

1.Ενεργοποιήστε ένα από τα ακόλουθα εργαλεία στοιχείου:

Τοίχος

Δοκός

Υποστύλωμα

Παράθυρο/Πόρτα

Άνοιγμα

2.Καθορίστε τη θέση του κέρσορα με τη χρήση του Ιχνηλάτη. Πρέπει να χρησιμοποιήσετε το πληκτρολόγιο για να κάνετε εισαγωγή στον Ιχνηλάτη και να επεξεργαστείτε τις τιμές.

3.Οι Οδηγοί Απόστασης υποδεικνύουν την κάθετη απόσταση της θέσης του κέρσορα από τα γύρω "σχετικά» στοιχεία. (Τα καμπύλα στοιχεία δεν υποστηρίζονται.)

Σημείωση: Η θέση του κέρσορα που ορίζετε είναι το σημείο έναρξης της Γραμμής/Άξονα Αναφοράς του νέου στοιχείου.

Γραμμή Αναφοράς Τοίχου

Άξονας Αναφοράς Δοκού

Αποκοπή Άκρων Υποστυλώματος και Άξονας Αναφοράς

Σύνδεση του Οδηγού Απόστασης με άλλη ακμή αναφοράς

Για ένα επιλεγμένο στοιχείο στην Κάτοψη, μπορείτε να επανασυνδέσετε χειροκίνητα τον Οδηγό Απόστασης με μία άλλη ακμή.

1.Οδηγήστε τον κέρσορα στο Βέλος, στο τέλος της γραμμής Οδηγού Απόστασης

2.Αιωρηθείτε με το ποντίκι για να δείτε το αποτέλεσμα

3.Κάντε κλικ στο βέλος-απόληξη για να το επεξεργαστείτε

4.Κάντε κλικ σε οποιαδήποτε έγκυρη ακμή (οποιαδήποτε προβαλλόμενη ακμή στοιχείου που είναι παράλληλη προς το επιλεγμένο στοιχείο ή κάθετη προς τον Οδηγό Απόστασης)

RelinkDG1.gif 

Σημεία Αναφοράς Πόρτας/Παραθύρου

Επιλέξτε ποια σημεία αναφοράς πόρτας/παραθύρου θα χρησιμοποιήσετε:

Τα τελικά σημεία ονομαστικού μεγέθους: Μέτρηση από τα τελικά σημεία ονομαστικού μεγέθους της επιλογής έως το τελικό σημείο ονομαστικού μεγέθους Πόρτας/Παραθύρου, κατά περίπτωση

Το κέντρο: Μέτρηση από το κεντρικό σημείο της επιλογής έως το κέντρο Πόρτας/Παραθύρου, εάν υπάρχει

DistanceGuidesReferencePoints.gif