거리 가이드

거리 가이드를 사용하면 주변 '컨텍스트' 요소와의 동적 거리를 표시하는 팝업 가이드를 통해 평면도에 요소를 정확하게 입력하고 이동할 수 있습니다. 요소 배치 중과 배치 후에 모두 거리 가이드를 사용할 수 있습니다.

DistanceGuideNFG.gif 

거리 가이드 활성화

거리 가이드는 기본적으로 활성화되어 있습니다.

다음과 같은 방법으로 켜거나 끕니다:

뷰 > 거리 가이드

옵션 > 작업 환경 > 트래커와 좌표 입력

툴바 토글

거리 가이드 컬러는 옵션 > 작업 환경 > 트래커와 좌표 입력에서 사용자 정의할 수 있습니다.

DistanceGuidesToolbarToggle.png 

거리 가이드 환경설정

툴바의 토글에서:

DistanceGuidesToolbar.png 

가이드가 요소 모서리에서 측정할지, 아니면 참조선에서 측정할지 설정합니다.

사용할 문/창 참조점을 설정합니다. 문/창 참조점참조.

어떤 요소에 거리 가이드가 표시되나요?

다음 '컨텍스트' 요소는 독립형 요소를 선택하거나 입력할 때 거리 가이드를 표시합니다.

ContextElements1.png 

그리드 (마커 부분 제외)

기둥

거리 가이드 - 우선순위

여러 요소 유형(현재 확대/축소에 표시됨)을 모두 컨텍스트 요소로 사용할 수 있는 경우 거리 가이드는 다음 순서로 요소를 '선호'합니다.

ContextElementPriority1.gif 

1.그리드 선

2.

3.

4.기둥

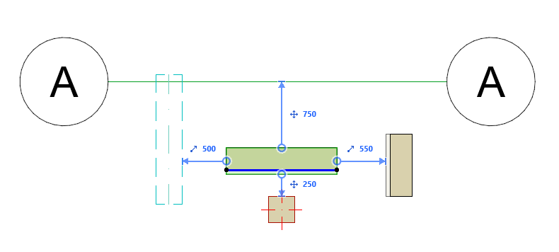
거리 가이드를 사용하여 선택된 요소 편집

1.다음 유형의 단일 요소를 평면에서 선택하세요. (곡선 요소는 지원되지 않음):

기둥

창문/문

개구부

2.트래커를 사용하여 거리 가이드의 피드백을 활용하여 선택한 요소의 위치를 편집합니다.

트래커를 사용한 요소 입력 참조.

벽과 보가 있는 거리 가이드에 대한 참고 사항

거리 가이드를 사용하여 이러한 요소를 세로로 "이동"할 때, 한 위치에서 다른 위치로 이동하는 대신 늘어나거나 줄어들게 됩니다. 이로 인해 연결된 벽과 보는 부러지지 않습니다.

요소 입력에 거리 가이드 사용

1.다음 요소 도구 중 하나를 활성화합니다.

기둥

창문/문

개구부

2.트래커를 사용하여 커서 위치를 정의합니다. 트래커에 들어가서 값을 편집하려면 키보드를 사용해야 합니다.

3.거리 가이드는 커서 위치에서 주변 '컨텍스트' 요소까지의 수직 거리를 나타냅니다. (곡선 요소는 지원되지 않습니다.)

참고: 정의한 커서 위치는 새 요소의 참조선/축의 시작점이 됩니다.

벽 기준선

보 기준 축

기둥 엔드 컷 및 기준 축

거리 가이드를 다른 참조 모서리에 다시 연결

평면에서 선택한 요소의 경우 거리 가이드를 다른 모서리에 수동으로 재링크할 수 있습니다.

1.커서로 거리 가이드 끝에 있는 화살촉을 가리킵니다.

2.마우스를 가져가면 피드백을 볼 수 있습니다.

3.화살촉을 클릭하여 편집합니다.

4.유효한 모서리(선택한 요소와 평행하거나 거리 가이드와 수직인 투영된 요소 모서리)를 클릭합니다.

RelinkDG1.gif 

문/창 참조점

사용할 문/창 참조점을 선택합니다:

공칭 크기 끝점까지: 해당되는 경우 선택 항목의 공칭 크기 끝점에서 참조 문/창 요소의 공칭 크기 끝점까지 측정합니다.

중앙으로: 선택된 중심점에서 참조 문/창 요소의 중심까지 측정 (해당되는 경우)

DistanceGuidesReferencePoints.gif