Distanční asistenti

Pro přesné zadávání a přesouvání prvků v půdorysu můžete použít distanční asistenty, kteří nabízí dynamická pole se vzdálenostmi od "souvisejících" prvků. Distanční asistenty můžete použít jak při vkládání prvků, tak po něm.

DistanceGuideNFG.gif 

Zapnutí Distančních asistentů

Distanční asistenti jsou zapnutí ve výchozím nastavení.

Zapněte nebo vypněte je následujícími způsoby:

Zobrazit > Distanční asistenti

Volby > Pracovní prostředí > Informátor a zadávání souřadnic

Tlačítko v nástrojové liště

Barvu Distančního asistenta lze přizpůsobit v menu Volby > Pracovní prostředí > Informátor a zadávání souřadnic.

DistanceGuidesToolbarToggle.png 

Nastavení Distančních asistentů

Na panelu nástrojů přepněte:

DistanceGuidesToolbar.png 

Nastavte si, zda mají asistenti měřit od okrajů prvků, nebo od jejich referenčních čar

Nastavení referenčních bodů dveří/oken, které se mají používat. Viz Referenční body dveří/oken.

Které prvky zobrazují Distanční asistenty?

Následující "související" prvky zobrazují při úpravách nebo zadávání distanční asistenty:

ContextElements1.png 

Síť (bez části se značkami)

Zeď

Trám

Sloup

Distanční asistenti - priorita

Pokud lze jako související prvky použít více prvků (viditelných v aktuálním zobrazení), Distanční asistenti "vybírají" prvky v následujícím pořadí:

ContextElementPriority1.gif 

1.Čáry sítě

2.Zdi

3.Trámy

4.Sloupy

Použití Distančních asistentů k úpravě vybraného prvku

1.Na půdorysu vyberte jeden prvek z následujících typů (zakřivené prvky nejsou podporovány):

Zeď

Trám

Sloup

Okno/Dveře

Prostup

2.Upravte umístění vybraného prvku prostřednictvím Informátoru za pomoci informací v distančních asistentech.

Viz Zadávání prvků pomocí Informátoru.

Poznámka k Distančním asistentům se stěnami a trámy

Při použití Distančních asistentů k podélnému pohybu se tyto prvky roztáhnou nebo zmenší (místo aby se přesunuly z jednoho místa na druhé). Spojované stěny a trámy se v důsledku toho nerozdělí.

Použijte distanční asistenty při zadávání prvků

1.Aktivujte jeden z následujících nástrojů:

Zeď

Trám

Sloup

Okno/Dveře

Prostup

2.Umístěte kurzoru pomocí Informátoru. Při zadávání se pomocí klávesnice přeneste do Informátoru a upravte hodnoty.

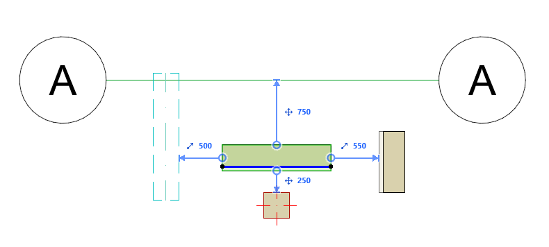
3.Distanční asistenti udávají kolmou vzdálenost od pozice kurzoru k okolním "souvisejícím" prvkům. (Zakřivené prvky nejsou podporovány.)

Poznámka: Zadaná pozice kurzoru je počátečním bodem referenční čáry/osy nového prvku.

Referenční čára zdi

Referenční osa trámu

Sklon konců a referenční osa sloupu

Přepojení distančního asistenta na jinou referenční hranu

U vybraného prvku v půdorysu můžete ručně přepojit konec Distančního asistentu s jinou hranou.

1.Najeďte kurzorem na hrot šipky na konci čáry distančního asistenta

2.Šipka se při najetí zvýrazní

3.Klikněte na ni a můžete ji upravit

4.Klikněte na jakoukoli platnou hranu (jakákoli hrana prvku, která je rovnoběžná s vybraným prvkem, nebo kolmá na vodící čárui)

RelinkDG1.gif 

Referenční body dveří/oken

Zvolte, které referenční body dveří/oken chcete použít:

Na koncové body nominální velikosti: Měří od koncových bodů nominální velikosti výběru ke bodu jmenovité velikosti referenčního prvku dveří/okna, je-li to relevantní

Na střed: Měří od středového bodu výběru ke středu referenčního prvku Dveře/okno, pokud je k dispozici

DistanceGuidesReferencePoints.gif