Guides de distance

Utilisez les guides de distance pour saisir et déplacer des éléments avec précision sur le Plan, avec des guides contextuels qui indiquent les distances dynamiques par rapport aux éléments "contextuels" proches. Vous pouvez utiliser les guides de distance pendant et après le placement des éléments.

DistanceGuideNFG.gif 

Activer Guides de distance

Les guides de distance sont activés par défaut.

Vous pouvez les activer ou les désactiver de la manière suivante :

Vue > Guides de distance

Options > Environnement de travail > Inspecteur et saisie de coordonnées

Commande de barre d’outil

La couleur du guide de distance peut être personnalisée à l’emplacement suivant : Options > Environnement de travail > Inspecteur et saisie de coordonnées 

DistanceGuidesToolbarToggle.png 

Définir les préférences des guides des distance

A partir de la commande de barre d’outils :

DistanceGuidesToolbar.png 

Indiquer si les guides doivent mesurer à partir des arêtes de l'élément ou à partir de leurs lignes de référence

Définir les points de référence des portes/fenêtres à utiliser. Voir Points de référence des portes/fenêtres.

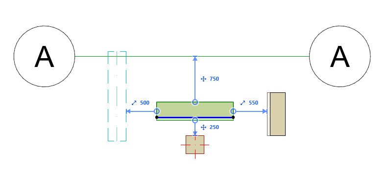
Quels sont les éléments qui affichent les guides de distance ?

Les éléments "contextuels" suivants affichent des guides de distance lorsque vous sélectionnez ou saisissez un élément individuel :

ContextElements1.png 

Grille (sans la partie Marque)

Mur

Poutre

Poteau

Guides de distance - Priorité

Lorsque plusieurs types d'éléments (visibles dans le zoom actuel) peuvent tous être utilisés comme éléments contextuels, les guides de distance "préfèrent" les éléments dans l'ordre suivant :

ContextElementPriority1.gif 

1.Lignes de grille

2.Murs

3.Poutres

4.Poteaux

Utiliser les guides de distance pour modifier l'élément sélectionné

1.Sélectionner un seul élément des types suivants sur le Plan (les éléments courbes ne sont pas pris en charge) :

Mur

Poutre

Poteau

Fenêtre/Porte

Percement

2.Modifiez l'emplacement de l'élément sélectionné à l'aide de l'Inspecteur en tenant compte des retours des guides de distance.

Voir Saisie d'éléments en utilisant l’Inspecteur.

Remarque sur les guides de distance et les murs et les poutres

Lorsque vous utilisez les guides de distance pour "déplacer" ces éléments dans le sens de la longueur, ils s'étirent ou se rétrécissent (au lieu de se déplacer d'un endroit à l'autre). Les murs et poutres connectés ne seront pas rompus pour autant.

Utiliser les guides de distance pour la saisie des éléments

1.Activez l'un des outils d'éléments suivants :

Mur

Poutre

Poteau

Fenêtre/Porte

Percement

2.Définissez l'emplacement du curseur à l'aide de l'Inspecteur. Vous devez utiliser le clavier pour saisir et éditer les valeurs de Inspecteur.

3.Les guides de distance indiquent la distance perpendiculaire entre la position du curseur et les éléments de "contexte" proches. (Les éléments courbes ne sont pas pris en charge)

Remarque : La position du curseur que vous définissez est le point de départ de la Ligne de référence/de l'Axe de référence du nouvel élément.

Ligne de référence de mur

Axe de référence de poutre

Découpes d'extrémité et axe de référence de poteau

Relier le guide des distance à une autre arête de référence

Pour un élément sélectionné sur le plan, vous pouvez manuellement relier le guide de distance à une autre arête.

1.Pointez votre curseur sur la flèche située à l'extrémité de la ligne guide de distance

2.Passez la souris pour voir le retour

3.Cliquez sur la flèche pour modifier

4.Cliquez sur n'importe quelle arête valide (toute arête d'élément projeté parallèle à l'élément sélectionné ou perpendiculaire au guide de distance)

RelinkDG1.gif 

Points de référence des portes/fenêtres

Choisissez les points de référence des portes/fenêtres à utiliser :

Aux points d’extémité de la taille nominale : Mesure entre les points d’extrémité de la taille nominale de la sélection et le point d’extrémité de taille nominale de l’élément de porte/fenêtre de référence, s’il y en a un

Au centre : Mesure entre le du point central de la sélection et le centre de l'élément de porte/fenêtre de référence, s’il y en a un

DistanceGuidesReferencePoints.gif