Guias de distância

Utilize Guias de Distância para introduzir e mover elementos com precisão na Planta, com guias pop-up que mostram distâncias dinâmicas de elementos de "contexto" circundantes. Pode utilizar as Guias de Distância durante e após a colocação de elementos.

DistanceGuideNFG.gif 

Activar as Guias de Distância

As Guias de Distância estão activadas por defeito.

Active-as ou desactive-as das seguintes formas:

Visualização > Guias de Distância

Opções > Ambiente de Trabalho > Orientador e Input de Coordenadas

Opção Barra de Ferramentas

A cor do Guia de Distância pode ser personalizada em Opções > Ambiente de Trabalho > Orientador e Input de Coordenadas.

DistanceGuidesToolbarToggle.png 

Defina as Preferências de Guia de Distância

A partir da opção barra de ferramentas:

DistanceGuidesToolbar.png 

Defina se as guias devem medir a partir dos bordos dos elementos ou a partir das suas linhas de referência

Defina os pontos de referência de porta/janela a utilizar. Ver Pontos de Referência para Portas/Janelas.

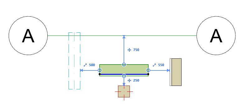
Que elementos apresentam Guias de Distância?

Os seguintes elementos de "contexto" mostram Guias de Distância quando selecciona ou introduz um elemento autónomo:

ContextElements1.png 

Grelha (sem a parte do marcador)

Parede

Viga

Coluna

Guias de Distância - Prioridade

Quando vários tipos de elementos (visíveis no zoom actual) podem ser utilizados como elementos de contexto, as Guias de Distância "preferem" os elementos pela seguinte ordem:

ContextElementPriority1.gif 

1.Linhas

2.Paredes

3.Vigas

4.Pilares

Utilize Guias de Distância para editar o elemento seleccionado

1.Seleccione um único elemento dos seguintes tipos na Planta (elementos curvos não são suportados):

Parede

Viga

Coluna

Porta/Janela

Abertura

2.Edite a localização do elemento seleccionado utilizando o Orientador, tirando partido dos comentários das Guias de Distância.

Ver Entrada de Elementos através do Orientador.

Nota sobre Guias de Distância com paredes e vigas

Quando se utilizam Guias de Distância para "mover" estes elementos longitudinalmente, eles esticam-se ou encolhem (em vez de se moverem de um sítio para outro). Consequentemente, as paredes e as vigas ligadas não se partem.

Utilizar Guias de Distância para a introdução de elementos

1.Active uma das seguintes ferramentas de elementos:

Parede

Viga

Coluna

Porta/Janela

Abertura

2.Defina a localização do cursor utilizando o Orientador. É necessário utilizar o teclado para introduzir o Orientador e editar os valores.

3.As Guias de Distância indicam a distância perpendicular entre a posição do cursor e os elementos de "contexto" circundantes. (Os elementos curvos não são suportados.)

Nota: a posição do cursor que define é o ponto de partida da linha/eixo de referência do novo elemento.

Linha de Referência da Parede

Eixo de Referência da Viga

Cortes de Fim e Eixo de Referência de Pilar

Voltar a vincular a Guia de Distância a outra aresta de referência

Para um elemento selecionado na Planta, pode voltar a vincular manualmente a Guia de Distância a outra aresta.

1.Aponte o cursor para a seta no final da linha da Guia de Distância

2.Passe o rato para ver o comentário

3.Clique na seta para a editar

4.Clique em qualquer aresta válida (qualquer aresta de elemento projetado que seja paralela ao elemento seleccionado ou perpendicular à Guia de Distância)

RelinkDG1.gif 

Pontos de Referência para Portas/Janelas

Seleccione os pontos de referência de porta/janela a utilizar:

Para os limites de tamanho nominal: mede desde os limites de tamanho nominal da seleção até ao limite de tamanho nominal do elemento de referência Porta/Janela, se aplicável

Para o centro: mede desde o ponto central da seleção até ao centro do elemento de referência Porta/Janela, se aplicável

DistanceGuidesReferencePoints.gif