名前

パラメータ

CS形状

SCIA EngineerでのCS名

I断面

H、Bh、Bs、ts、th、s

082_StructuralAnalysisFormat00265.jpg 

I ng(H、Bh、Bs、ts、th、s)

T断面

H、B、th、sh

082_StructuralAnalysisFormat00268.jpg 

T g(H、B、th、sh)

L断面

H、B、th、sh

082_StructuralAnalysisFormat00271.jpg 

L g(H、B、th、sh)

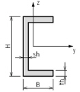
U断面

H、B、th、sh

082_StructuralAnalysisFormat00274.jpg 

U g(H、B、th、sh)

楕円

H、B

082_StructuralAnalysisFormat00277.jpg 

楕円(H、B)

パイプ

D、t

082_StructuralAnalysisFormat00280.jpg 

チューブ(D、t)

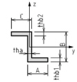
Z断面

A、tha、B、thb1、thb2、C

082_StructuralAnalysisFormat00283.jpg 

Z(A、tha、B, thb1、thb2、C)

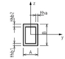
ボックス

A、tha、B、thb1、thb2

082_StructuralAnalysisFormat00286.jpg 

O(A、tha、B、thb)

ARCHICADで認識されるパラメトリックタイプのSAF断面