ARCHICAD가 인식하는 파라메트릭 SAF 횡단면

이름

파라미터

CS 형

CS 이름 (SCIA Engineer 내)

I 단면

H; Bh; Bs; ts; th; s

091_StructuralAnalysisFormat00295.jpg 

I ng (H; Bh; Bs; ts; th; s)

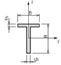
T 단면

H; B; th; sh

091_StructuralAnalysisFormat00298.jpg 

T g (H; B; th; sh)

L 섹션

H; B; th; sh

091_StructuralAnalysisFormat00301.jpg 

L g (H; B; th; sh)

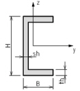
U 단면

H; B; th; sh

091_StructuralAnalysisFormat00304.jpg 

U g (H; B; th; sh)

타원형

H; B

091_StructuralAnalysisFormat00307.jpg 

타원형 (H; B)

파이프

D; t

091_StructuralAnalysisFormat00310.jpg 

튜브 (D; t)

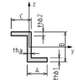
Z 단면

A; tha; B; thb1; thb2; C

091_StructuralAnalysisFormat00313.jpg 

Z (A; tha; B, thb1; thb2; C)

박스형

A; tha; B; thb1; thb2

091_StructuralAnalysisFormat00316.jpg 

O (A; tha; B; thb)