Seções transversais SAF Paramétricas Reconhecidas pelo Archicad

Nome

Parâmetros

Forma CS

Nome do CS no SCIA Engineer

Seção I

H; Bh; Bs; ts; th; s

091_StructuralAnalysisFormat00320.jpg 

I ng (H; Bh; Bs; ts; th; s)

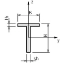
Seção T

H; B; th; sh

091_StructuralAnalysisFormat00323.jpg 

T g (H; B; th; sh)

Seção L

H; B; th; sh

091_StructuralAnalysisFormat00326.jpg 

L g (H; B; th; sh)

Seção U

H; B; th; sh

091_StructuralAnalysisFormat00329.jpg 

U g (H; B; th; sh)

Oval

H; B

091_StructuralAnalysisFormat00332.jpg 

Oval (H; B)

Tubo

D; t

091_StructuralAnalysisFormat00335.jpg 

Tubo (D; t)

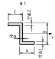
Seção Z

A; tha; B; thb1; thb2; C

091_StructuralAnalysisFormat00338.jpg 

Z (A; tha; B, thb1; thb2; C)

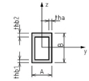
Caixa

A; tha; B; thb1; thb2

091_StructuralAnalysisFormat00341.jpg 

O (A; tha; B; thb)