Parametric SAF Cross Sections Recognized by Archicad

Name

Parameters

CS Shape

CS Name in SCIA Engineer

I Section

H; Bh; Bs; ts; th; s

091_StructuralAnalysisFormat00316.jpg 

I ng (H; Bh; Bs; ts; th; s)

T Section

H; B; th; sh

091_StructuralAnalysisFormat00319.jpg 

T g (H; B; th; sh)

L Section

H; B; th; sh

091_StructuralAnalysisFormat00322.jpg 

L g (H; B; th; sh)

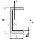
U Section

H; B; th; sh

091_StructuralAnalysisFormat00325.jpg 

U g (H; B; th; sh)

Oval

H; B

091_StructuralAnalysisFormat00328.jpg 

Oval (H; B)

Pipe

D; t

091_StructuralAnalysisFormat00331.jpg 

Tube (D; t)

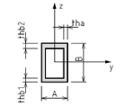
Z Section

A; tha; B; thb1; thb2; C

091_StructuralAnalysisFormat00334.jpg 

Z (A; tha; B, thb1; thb2; C)

Box

A; tha; B; thb1; thb2

091_StructuralAnalysisFormat00337.jpg 

O (A; tha; B; thb)