Распознаваемые в Archicad Параметрические Поперечные Сечения (ПС) SAF

Имя

Параметры

Форма ПС

Наименование ПС в SCIA Engineer

Двутавр

H; Bh; Bs; ts; th; s

091_StructuralAnalysisFormat00316.jpg 

I ng (H; Bh; Bs; ts; th; s)

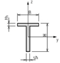
Тавр

H; B; th; sh

091_StructuralAnalysisFormat00319.jpg 

T g (H; B; th; sh)

Уголок

H; B; th; sh

091_StructuralAnalysisFormat00322.jpg 

L g (H; B; th; sh)

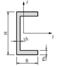
Швеллер

H; B; th; sh

091_StructuralAnalysisFormat00325.jpg 

U g (H; B; th; sh)

Овал

H; B

091_StructuralAnalysisFormat00328.jpg 

Oval (H; b)

Труба

D; в

091_StructuralAnalysisFormat00331.jpg 

Tube (D; t)

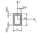
Z-профиль

A; tha; B; thb1; thb2; С

091_StructuralAnalysisFormat00334.jpg 

Z (A; tha; B, thb1; thb2; c)

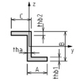
Прямоугольник

A; tha; B; thb1; thb2

091_StructuralAnalysisFormat00337.jpg 

O (A; tha; B; thb)