Guide Distanza

Utilizzare le Guide Distanza per inserire e spostare con precisione gli elementi nella Pianta grazie alle guide a comparsa che mostrano dinamicamente le distanze dagli elementi "di contesto" circostanti. È possibile utilizzare le Guide Distanza sia durante che dopo il posizionamento degli elementi.

DistanceGuideNFG.gif 

Abilita Guide Distanza

Le Guide Distanza sono abilitate per impostazione predefinita.

Attivare o disattivare i messaggi nei modi seguenti:

Visualizza > Guide Distanza

Opzioni > Ambiente di Lavoro > Ispettore e Input Coordinate

Commutatore della barra strumenti

DistanceGuidesToolbarToggle.png 

Impostare le Preferenze della Guida Distanza

Dalla barra degli strumenti:

DistanceGuidesToolbar.png 

Impostare se le misure delle guide devono essere relative ai bordi degli elementi o dalle loro linee di riferimento

Impostare quali punti di riferimento di porte/finestre utilizzare. Vedere Punti di riferimento per Porta/Finestra.

Quali elementi visualizzano le Guide Distanza?

I seguenti elementi "contestuali" mostrano le Guide Distanza quando si seleziona o si immette un elemento indipendente:

ContextElements1.png 

Griglia (senza la parte del Marker)

Muro

Trave

Pilastro

Guide Distanza - Priorità

Quando diversi tipi di elementi (visibili nello zoom corrente) possono essere usati tutti come elementi di contesto, le Guide Distanza "preferiscono" gli elementi nel seguente ordine:

ContextElementPriority1.gif 

1.Linee Griglia

2.Muri

3.Travi

4.Pilastri

Utilizzare le Guide Distanza per editare l'elemento selezionato

1.Selezionare sulla Pianta un singolo elemento dei seguenti tipi (gli elementi curvi non sono supportati):

Muro

Trave

Pilastro

Finestra/Porta

Apertura

2.Modificare la posizione dell'elemento selezionato utilizzando l'Ispettore per sfruttare il feedback delle Guide Distanza.

Vedere Inserimento di elementi tramite l'Ispettore.

Nota sulle Guide Distanza con pareti e travi

Quando si utilizzano le Guide Distanza per "spostare" questi elementi nel senso della lunghezza, essi si allungano o si restringono (invece di spostarsi da un punto all'altro). Di conseguenza i collegamenti di pareti e travi collegate non saranno interrotti.

Utilizzare le Guide Distanza per l'inserimento degli elementi

1.Attivare uno dei seguenti strumenti elemento:

Muro

Trave

Pilastro

Finestra/Porta

Apertura

2.Definire la posizione del cursore utilizzando l'Ispettore. È necessario utilizzare la tastiera per visualizzare l'Ispettore e modificare i valori.

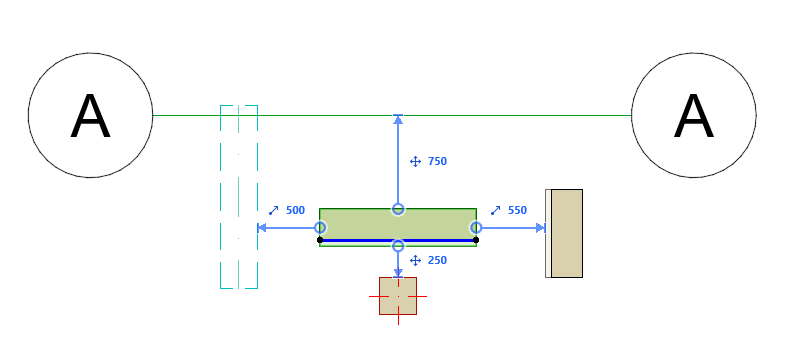
3.Le Guide Distanza indicano la più breve distanza tra la posizione del cursore e gli elementi circostanti del "contesto". (Gli elementi curvi non sono supportati)

Nota: la posizione del cursore definita è il punto di partenza dell'asse/linea di riferimento del nuovo elemento.

Linea di riferimento dei muri

Asse di riferimento delle Travi

Tagli di estremità e asse di riferimento dei Pilastri

Ricollegare la Guida Distanze a un altro bordo di riferimento

Per un elemento selezionato nella Pianta, è possibile ricollegare manualmente la Guida alle distanze a un altro bordo.

1.Puntare il cursore sulla Freccia alla fine della riga della Guida Distanze

2.Passare il mouse per vedere il Feedback

3.Fare clic sulla punta della freccia per modificarla

4.Fare clic su un bordo valido (qualsiasi bordo dell'elemento proiettato che sia parallelo all'elemento selezionato o perpendicolare alla Guide Distanza)

RelinkDG1.gif 

Punti di riferimento per Porta/Finestra

Scegliere i punti di riferimento di Porta/Finestra da utilizzare:

Alle estremità della dimensione nominale: misurare a partire dalle estremità della dimensione nominale della selezione all'estremità della dimensione nominale dell'elemento Porta/Finestra di riferimento, se applicabile

Al centro: misurare dal punto centrale della selezione al centro dell'elemento Porta/Finestra di riferimento, se applicabile

DistanceGuidesReferencePoints.gif