距離ガイド

距離ガイドを使用すると、周辺の対象要素からの動的な距離を表示するポップアップガイドによって、平面図上で要素を正確に入力したり移動したりすることができます。距離ガイドは、要素の配置中と配置後の両方で使用することができます。

DistanceGuideNFG.gif 

距離ガイドを有効化

距離ガイドはデフォルトで有効です。

以下の方法でオン/オフを切り替えることができます:

[表示]→[距離ガイド]

[オプション]→[作業環境]→[座標情報と座標入力]

標準ツールバーのガイドメニュー

DistanceGuidesToolbarToggle.png 

距離ガイドの環境設定を指定

ツールバーのトグルスイッチから:

DistanceGuidesToolbar.png 

ガイドを要素の辺から計測するか、基準線から計測するかを設定します。

計測するドア/窓に対する基準点を設定します。「ドア/窓の基準点」を参照してください。

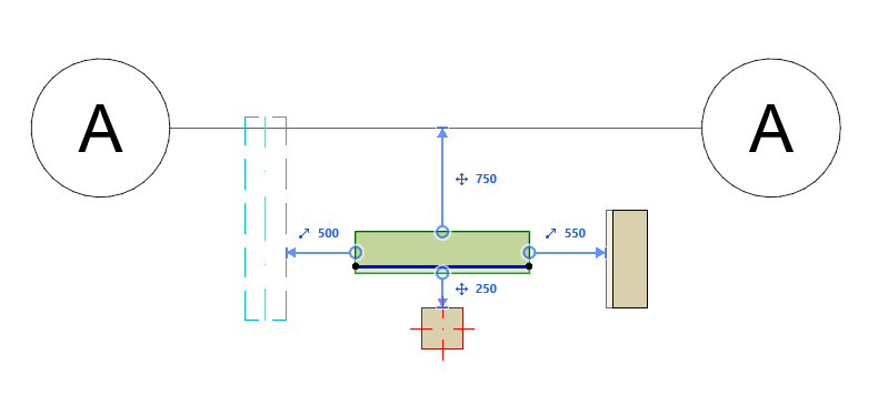
距離ガイドが表示される要素

単独の要素を選択または入力すると、以下の要素に対して、距離ガイドが表示されます。

ContextElements1.png 

グリッド(マーカー部分以外)

距離ガイド - 優先順位

現在のズームで表示される複数の要素タイプが全てコンテキスト要素として使用できる場合、距離ガイドは次の順序で要素を「優先」します。

ContextElementPriority1.gif 

1.グリッド線

2.

3.

4.

距離ガイドを使用して選択要素を編集

1.平面図上の以下のタイプから一つの要素を選択します(曲線要素はサポートされていません):

窓/ドア

開口

2.選択要素の位置は、距離ガイドからのフィードバックを活用しながら、座標情報を使用して編集することができます。

座標情報を使用した要素入力」を参照してください。

壁や梁の距離ガイドに関する注記

距離ガイドを使用してこれらの要素の基準線方向に数値入力すると、(ある場所から別の場所に移動するのではなく)ストレッチされます。接続している壁や梁が壊れることはありません。

要素入力に距離ガイドを使用する

1.以下の要素ツールのいずれかを有効にします。

窓/ドア

開口

2.座標情報、またはカーソルを使用して位置を定義します。座標情報の入力や値の編集には、キーボードを使用する必要があります。

3.距離ガイドは、定義しようとする位置から周囲の対象要素までの垂直距離を示します (曲線要素はサポートされていません)。

注記:定義した位置は、新しい要素の基準線/軸の開始点となります。

壁の基準線

梁の基準軸

柱の終端の切断と基準軸

距離ガイドの参照する辺を指定

平面図上の選択要素について、距離ガイドの参照する辺を指定することができます。

1.カーソルを距離ガイド線の端にある矢印に合わせます。

2.カーソルを合わせるとフィードバック表示されます。

3.矢印をクリックすると編集できます。

4.有効な辺(選択要素に平行、または距離ガイドに垂直な投影要素辺)をクリックします。

RelinkDG1.gif 

ドア/窓の基準点

ドア/窓に対する基準点を選択します:

公称サイズ端点まで:選択要素の公称サイズ端点から基準ドア/窓要素の公称サイズ端点までを計測します(該当する場合)。

中心まで:選択中心点から基準ドア/窓要素の中心までを計測します(該当する場合)。

DistanceGuidesReferencePoints.gif