Привязки Расстояний

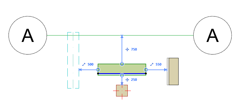
Используйте Привязки Расстояний для точного ввода и перемещения элементов на Плане Этажа с помощью всплывающих направляющих, которые служат для отображения динамически меняющихся расстояний от соседних “контекстных” элементов. Привязки Расстояния можно использовать как во время, так и после размещения элементов.

DistanceGuideNFG.gif 

Включение Привязок Расстояний

Привязки Расстояний по умолчанию включены.

Включить или отключить их можно следующими способами:

при помощи меню Вид > Привязки Расстояний

в диалоге Параметры > Окружающая Среда > Табло Слежения и Ввод Координат

при помощи переключателя с Табло Команд

DistanceGuidesToolbarToggle.png 

Настройка Параметров Привязок Расстояний

При помощи переключателя в Табло Команд:

DistanceGuidesToolbar.png 

Выберите Привязку Расстояний к ребрам или к линиям привязки элементов

Выберите используемые точки привязки дверей/окон. См. Точки Привязки Дверей/Окон.

Какие элементы отображаются при Привязке Расстояний?

Привязки Расстояний создаются для следующих “контекстных”  элементов при выборе или создании отдельного элемента:

ContextElements1.png 

Линий Осей (без маркеров)

Стену

Балку

Колонну

Привязки Расстояний - Приоритет

Контекстные элементы (отображаемые при текущем уровне увеличения) используются для Привязки Расстояний в следующем порядке:

ContextElementPriority1.gif 

1.Линии Осей

2.Стены

3.Балки

4.Колонны

Использование Привязок Расстояний для редактирования выбранных элементов

1.Выберите на Плане Этажа элемент одного из следующих типов (изогнутые элементы не поддерживаются):

Стену

Балку

Колонну

Окно/Дверь

Отверстие

2.Отредактируйте местоположение выбранного элемента с помощью Табло Слежения, используя обратную связь с Привязками Расстояний.

См. Ввод Элементов при помощи Табло Слежения.

Примечание о Привязках Расстояний стен и балок

Использование Привязок Расстояний для "перемещения" этих элементов вдоль их линий привязок приводит к изменению длины этих элементов, а не к их перемещению. В результате соединения стен и балок не нарушаются.

Использование Привязок Расстояний при создании элементов

1.Активируйте один из следующих инструментов:

Стену

Балку

Колонну

Окно/Дверь

Отверстие

2.Задайте положение курсора при помощи Панели Слежения. Чтобы активировать Панель Слежения и ввести значения, воспользуйтесь клавиатурным вводом.

3.Привязки Расстояний показывают перпендикулярные расстояния от позиции курсора до окружающих контекстных элементов. (Криволинейные элементы не поддерживаются.)

Примечание: Расположение курсора определяет начальную точку линии привязки/оси нового элемента.

Линия Привязки Стены

Ось Привязки Балки

Подрезка Концов Колонны и Ось Привязки

Перемещение Привязки Расстояний на другое ребро элемента

Выбрав элемент на Плане Этажа, вы можете вручную задать Привязку Расстояния к другому его ребру.

1.Наведите курсор на стрелку на конце линии Привязки Расстояния

2.В результате появятся элементы обратной графической связи

3.Щелкните на стрелке, чтобы отредактировать ее

4.Щелкните на любом подходящем ребре (любом проецируемом ребро элемента, расположенном параллельно линии привязки элемента или перпендикулярно существующей Привязке Расстояний)

RelinkDG1.gif 

Точки Привязки Дверей/Окон

Выберите, какие точки привязки дверей/окон следует использовать:

К Точкам Номинальных Размеров: Привязки Расстояний будут по возможности измеряться от точек номинального размера выбранного элемента до точки номинального размера опорного элемента

К Центру: Привязки Расстояний будут по возможности измеряться от центральной точки выбранного элемента до центральной точки опорного элемента

DistanceGuidesReferencePoints.gif