Guías de Distancia

Utilice las Guías de Distancia para insertar y mover elementos con precisión en la Planta, con guías emergentes que muestran distancias dinámicas desde los elementos "contextuales" circundantes. Puede utilizar las Guías de Distancia durante y después de la colocación de los elementos.

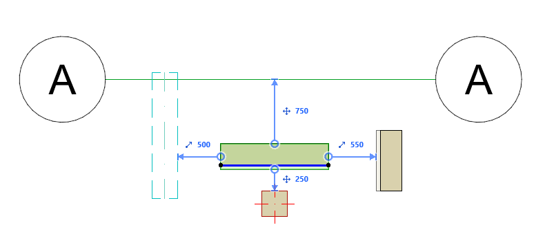
DistanceGuideNFG.gif 

Activar Guías de Distancia

Las Guías de Distancia están activadas por defecto.

Actívelas o desactívelas de las siguientes maneras:

Ver > Guías de Distancia

Opciones > Entorno de Trabajo > Entradas de Informador y Coordenadas

Conmutador de la Barra de Herramientas

DistanceGuidesToolbarToggle.png 

Definir Preferencias de las Guías de Distancia

Desde el conmutador de la barra de herramientas:

DistanceGuidesToolbar.png 

Definir si las guías deben medir desde los bordes de los elementos, o desde sus líneas de referencia

Definir qué puntos de referencia de puertas/ventanas se van a utilizar. Ver Puntos de Referencia de Puertas/Ventanas.

¿Qué elementos muestran las Guías de Distancia?

Los siguientes elementos "contextuales" muestran Guías de Distancia cuando selecciona o introduce un elemento independiente:

ContextElements1.png 

Red (sin la parte del marcador)

Muro

Viga

Pilar

Guías de Distancia - Prioridad

Cuando existen varios tipos de elemento (visibles en el zoom actual) pueden utilizarse todos como elementos de contexto, las Guías de Distancia dan preferencia a los elementos en el siguiente orden:

ContextElementPriority1.gif 

1.Líneas de Red

2.Muros

3.Vigas

4.Pilares

Utilice las Guías de Distancia para editar el elemento seleccionado

1.Seleccione un único elemento de los siguientes tipos en la Planta (no se admiten elementos curvos):

Muro

Viga

Pilar

Puerta/Ventana

Abertura

2.Edite la ubicación del elemento seleccionado utilizando el Informador, aprovechando la información de las Guías de Distancia.

Ver Inserción de Elementos Mediante el Informador.

Nota sobre Guías de Distancia con muros y vigas

Al utilizar Guías de Distancia para "mover" estos elementos longitudinalmente, se estirarán o encogerán (en lugar de moverse de un lugar a otro). Los muros y vigas conectados no se desconectarán.

Utilice las Guías de Distancia para la inserción de elementos

1.Active una de las siguientes herramientas de elementos:

Muro

Viga

Pilar

Puerta/Ventana

Abertura

2.Defina la ubicación del cursor utilizando el Informador. Debe utilizar el teclado para entrar en el Informador y editar los valores.

3.Las Guías de Distancia indican la distancia perpendicular desde la posición del cursor a los elementos "contextuales" circundantes. (No compatible en elementos curvos)

Nota: La posición del cursor que defina es el punto de inicio de la línea/eje de Referencia del nuevo elemento.

Línea de Referencia de Muro

Eje de Referencia de Viga

Recortes de Extremo y Eje de Referencia del Pilar

Revincular la Guía de Distancia a otro eje de referencia

Para un elemento seleccionado en la Planta, puede revincular manualmente la Guía de Distancia a otro borde.

1.Apunte con el cursor a la punta de flecha situada al final de la línea de la Guía de Distancia

2.Pase el ratón por encima para ver la información

3.Haga clic en la flecha para editarla

4.Haga clic en cualquier borde válido (cualquier borde de elemento proyectado que sea paralelo al elemento seleccionado, o perpendicular a la Guía de Distancias)

RelinkDG1.gif 

Puntos de Referencia de Puertas/Ventanas

Elija qué puntos de referencia de puertas/ventanas desea utilizar:

A los puntos finales de tamaño nominal: Mide desde los puntos finales de tamaño nominal de la selección hasta el punto final de tamaño nominal del elemento Puerta/Ventana de referencia, si procede

Al centro: Mide desde el punto central de la selección hasta el centro del elemento Puerta/Ventana de referencia, si procede

DistanceGuidesReferencePoints.gif