Secciones SAF Paramétricas Reconocidas por Archicad

Nombre

Parámetros

Forma de la Sección

Nombre de la Sección en SCIA Engineer

Sección I

H; Bh; Bs; ts; th; s

091_StructuralAnalysisFormat00320.jpg 

I ng (H; Bh; Bs; ts; th; s)

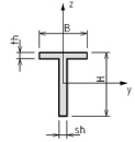
Sección T

H; B; th; sh

091_StructuralAnalysisFormat00323.jpg 

T g (H; B; th; sh)

Sección L

H; B; th; sh

091_StructuralAnalysisFormat00326.jpg 

L g (H; B; th; sh)

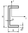
Sección U

H; B; th; sh

091_StructuralAnalysisFormat00329.jpg 

U g (H; B; th; sh)

Oval

H; B

091_StructuralAnalysisFormat00332.jpg 

Oval (H; B)

Tubo

D; t

091_StructuralAnalysisFormat00335.jpg 

Tubo (D; t)

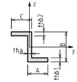
Sección Z

A; tha; B; thb1; thb2; C

091_StructuralAnalysisFormat00338.jpg 

Z (A; tha; B, thb1; thb2; C)

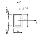
Caja

A; tha; B; thb1; thb2

091_StructuralAnalysisFormat00341.jpg 

O (A; tha; B; thb)