Név

Paraméterek

Keresztmetszet alakja

Keresztmetszet neve (SCIA Engineer)

I metszet

H; Bh; Bs; ts; th; s

082_StructuralAnalysisFormat00264.jpg 

I ng (H; Bh; Bs; ts; th; s)

T metszet

H; B; th; sh

082_StructuralAnalysisFormat00267.jpg 

T g (H; B; th; sh)

L metszet

H; B; th; sh

082_StructuralAnalysisFormat00270.jpg 

L g (H; B; th; sh)

U metszet

H; B; th; sh

082_StructuralAnalysisFormat00273.jpg 

U g (H; B; th; sh)

Ovális

H; B

082_StructuralAnalysisFormat00276.jpg 

Ovális (H; B)

Cső

D; t

082_StructuralAnalysisFormat00279.jpg 

Cső (D; t)

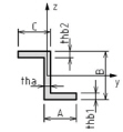
Z metszet

A; tha; B; thb1; thb2; C

082_StructuralAnalysisFormat00282.jpg 

Z (A; tha; B, thb1; thb2; C)

Négyzet

A; tha; B; thb1; thb2

082_StructuralAnalysisFormat00285.jpg 

O (A; tha; B; thb)

Az ARCHICAD által felismert parametrikus SAF keresztmetszetek