Parametrische SAF-Querschnitte, die von ARCHICAD erkannt werden

Name:

Parameter

CS-Form

CS-Name in SCIA Engineer

I-Profil

H; Bh; Bs; ts; th; s

091_StructuralAnalysisFormat00293.jpg 

I ng (H; Bh; Bs; ts; th; s)

T-Profil

H; B; th; sh

091_StructuralAnalysisFormat00296.jpg 

T g (H; B; th; sh)

L-Profil

H; B; th; sh

091_StructuralAnalysisFormat00299.jpg 

L g (H; B; th; sh)

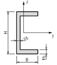
U-Profil

H; B; th; sh

091_StructuralAnalysisFormat00302.jpg 

U g (H; B; th; sh)

Oval

H; B

091_StructuralAnalysisFormat00305.jpg 

Oval (H; B)

Rohr

D; t

091_StructuralAnalysisFormat00308.jpg 

Röhre (D; t)

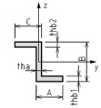
Z-Profil

A; tha; B; thb1; thb2; C

091_StructuralAnalysisFormat00311.jpg 

Z (A; tha; B, thb1; thb2; C)

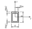
Kasten

A; tha; B; thb1; thb2

091_StructuralAnalysisFormat00314.jpg 

O (A; tha; B; thb)