Παραμετρικές Διατομές SAF που Αναγνωρίζει το Archicad

Μη διαθέσιμο στο Archicad Start Edition 2024

Όνομα

Παράμετροι

Σχήμα Διατομής

Όνομα Διατομής στο SCIA Engineer

Διατομή I

H; Bh; Bs; ts; th; s

091_StructuralAnalysisFormat00316.jpg 

I ng (H; Bh; Bs; ts; th; s)

Διατομή T

H; B; th; sh

091_StructuralAnalysisFormat00319.jpg 

T g (H; B; th; sh)

Διατομή L

H; B; th; sh

091_StructuralAnalysisFormat00322.jpg 

L g (H; B; th; sh)

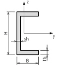
Διατομή U

H; B; th; sh

091_StructuralAnalysisFormat00325.jpg 

U g (H; B; th; sh)

Οβάλ

H; B

091_StructuralAnalysisFormat00328.jpg 

Οβάλ (H; B)

Σωλήνας

D; t

091_StructuralAnalysisFormat00331.jpg 

Σωλήνας (D; t)

Διατομή Z

A; tha; B; thb1; thb2; C

091_StructuralAnalysisFormat00334.jpg 

Z (A; tha; B, thb1; thb2; C)

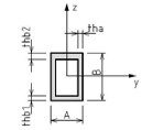
Κουτί

A; tha; B; thb1; thb2

091_StructuralAnalysisFormat00337.jpg 

O (A; tha; B; thb)