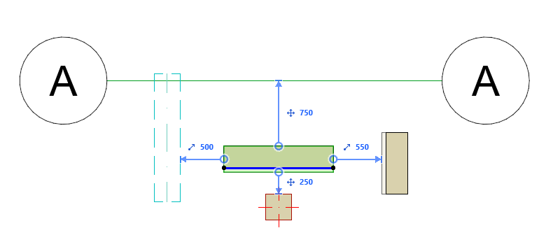
Távolságjelzők

A távolságjelzők az elemek alaprajzon történő pontos elhelyezésére és mozgatására szolgálnak. Az előugró jelzők dinamikusan jelzik a közelben lévő „környezeti” elemektől mért távolságot. A távolságjelzők az elemek elhelyezése közben és után is használhatók.

DistanceGuideNFG.gif 

Távolságjelzők bekapcsolása

Alapértelmezés szerint a távolságjelzők engedélyezve vannak.

Kapcsolja be vagy ki őket a következő módokon:

Nézet >Távolságjelzők

Beállítások > Munkakörnyezet > Követő és koordinátabevitel

Eszköztár kapcsoló

DistanceGuidesToolbarToggle.png 

Adja meg a távolságjelző beállításait

Az eszköztár kapcsolójával:

DistanceGuidesToolbar.png 

Adja meg, hogy a távolságjelzők az elemek éleitől vagy referenciavonaluktól mérjenek

Adja meg, hogy mely ajtó/ablak referenciapontokat kívánja használni. Lásd Ajtó/ablak referenciapontok.

Mely elemek jelenítik meg a távolságjelzőket?

A következő „környezeti” elemeknél láthatók távolságjelzők önálló elem kijelölésekor vagy megadásakor:

ContextElements1.png 

Háló (a jelet tartalmazó rész nélkül)

Fal

Gerenda

Oszlop

Távolságjelzők – prioritás

Ha több (az aktuális nagyításban látható) elemtípus is használható környezeti elemként, a távolságjelzők a következő fontossági sorrendet követik:

ContextElementPriority1.gif 

1.Hálóvonalak

2.Falak

3.Gerendák

4.Oszlopok

Távolságjelzők használata kijelölt elem szerkesztéséhez

1.Jelöljön ki egy elemet az alábbi típusok közül az alaprajzon (íves elem nem választható):

Fal

Gerenda

Oszlop

Ablak/ajtó

Áttörés

2.Módosítsa a kijelölt elem helyét a Követő segítségével, a távolságjelzők által biztosított visszajelzésnek köszönhetően.

Lásd Elem bevitele a Követő használatával.

Megjegyzés a falaknál és gerendáknál használt távolságjelzőkhöz

Ha távolságjelzők segítségével „mozgatja” ezeket az elemeket hosszanti irányban, akkor azok megnyúlnak vagy zsugorodnak (azaz nem helyet változtatnak). Ennek megfelelően a csatlakozó falak és gerendák nem törnek meg.

Távolságjelzők használata elemek beviteléhez

1.Aktiválja a következő elemeszközök egyikét:

Fal

Gerenda

Oszlop

Ablak/ajtó

Áttörés

2.Határozza meg a kurzor helyét a Követő segítségével. A Követő megnyitásához és az értékek szerkesztéséhez a billentyűzetet kell használni.

3.A távolságjelzők a kurzor pozíciójától a közelben lévő „környezeti” elemekig mért merőleges távolságot mutatják. (A funkció nem támogatja az íves elemeket.)

Megjegyzés: A kurzor meghatározott pozíciója az új elem referenciavonalának/-tengelyének kezdőpontja.

A fal referenciavonala

Gerenda referenciatengelye

Oszlop élvágásai és referenciatengelye

A távolságjelző újracsatolása egy másik referenciaélhez

Az alaprajzon kiválasztott elemhez manuálisan újracsatolható a távolságjelző, az elem másik élét használva.

1.Álljon a kurzorral a távolságjelző vonalának végén lévő nyílhegyre

2.Tartsa a kurzort helyben a visszajelzés megjelenítéséhez

3.Kattintson a nyílhegyre a szerkesztéshez

4.Kattintson bármely érvényes élre (bármely olyan vetített elem élére, amely párhuzamos a kijelölt elemmel, vagy merőleges a távolságjelzőre)

RelinkDG1.gif 

Ajtó/ablak referenciapontok

Adja meg, hogy mely ajtó/ablak referenciapontokat kívánja használni:

A névleges méret végpontjaitól: mérés a kiválasztás névleges méretének végpontjaitól a referencia ajtó/ablak elem névleges méretének végpontjáig, ha van ilyen

Középpontól: mérés a kiválasztás középpontjától a referencia ajtó/ablak elem középpontjáig, ha van ilyen

DistanceGuidesReferencePoints.gif