Wskaźniki odległości

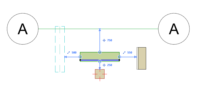
Użyj wskaźniki odległości, aby precyzyjnie wprowadzać i przesuwać elementy na Rzucie, z wyskakującymi prowadnicami, które pokazują dynamiczne odległości od otaczających elementów "kontekstowych". Wskaźniki odległości można używać zarówno podczas umieszczania elementów, jak i po ich umieszczeniu.

DistanceGuideNFG.gif 

Włącz wskaźniki odległości

Wskaźniki odległości są domyślnie włączone.

Można je włączyć lub wyłączyć w następujący sposób:

Widok > Wskaźniki odległości

Opcje > Środowisko pracy > Podręczne współrzędne

Przełącznik na pasku narzędzi

DistanceGuidesToolbarToggle.png 

Ustawienia wskaźników odległości

Z poziomu przełączników na pasku narzędzi:

DistanceGuidesToolbar.png 

Zdefiniuj czy wskaźniki mają odmierzać odległości od krawędzi elementów, czy od ich linii odniesienia

Zdefiniuj z jakich punktów odniesienia mają korzystać dla drzwi/okien. Zobacz Punkty odniesienia drzwi/okna.

Które elementy wyświetlają Wskaźniki odległości?

Następujące elementy "kontekstowe" wyświetlają Wskaźniki odległości po wybraniu lub wprowadzeniu samodzielnego elementu:

ContextElements1.png 

Siatka (bez części ze znacznikami)

Ściana

Belka

Słup

Wskaźniki odległości - priorytet

Gdy kilka typów elementów (widocznych w bieżącym powiększeniu) może być używanych jako elementy kontekstowe, Wskaźniki odległości "preferują" elementy w następującej kolejności:

ContextElementPriority1.gif 

1.Linie Siatki

2.Walls

3.Jętki i kleszcze

4.Słupy

Użyj Wskaźników odległości, aby edytować zaznaczony element

1.W widoku rzutu wybierz pojedynczy element będący jednym z wymienionych typów (elementy zakrzywione nie są obsługiwane):

Ściana

Belka

Słup

Okno/Drzwi

Otwór

2.Edytuj lokalizację wybranego elementu za pomocą opcji Podręczne współrzędne, korzystając z opinii w Podręczne współrzędne.

Zobacz Wprowadzanie elementów za pomocą aplikacji Podręczne współrzędne.

Uwaga dotycząca korzystania ze Wskaźników odległości w odniesieniu do ścian i belek

Podczas używania Wskaźników odległości do "przesuwania" tych elementów wzdłuż, będą się one rozciągać lub kurczyć (zamiast przesuwać się z jednego miejsca do drugiego). Połączone ściany i belki nie będą się dzięki temu rozłączać.

Używanie Wskaźników odległości do wprowadzania elementów

1.Aktywuj jedno z następujących narzędzi elementów:

Ściana

Belka

Słup

Okno/Drzwi

Otwór

2.Zdefiniuj położenie kursora za pomocą opcji Podręczne współrzędne. Ujyż klawiatury do wprowadzenia Podręcznych współrzędnych i edytowania wartości.

3.Wskaźniki odległości wskazują prostopadłą odległość od pozycji kursora do otaczających elementów „kontekstowych". (Zakrzywione elementy nie są obsługiwane.)

Uwaga: Zdefiniowana pozycja kursora jest punktem początkowym linii odniesienia/osi odniesienia nowego elementu.

Ściana Linia odniesienia

Oś odniesienia belki

Zakończenia słupa i oś odniesienia

Przywróć połączenie Wskaźników odległości z inną krawędzią odniesienia

Dla zaznaczonego elementu w widoku rzutu można ręcznie odmierzyć dystans Wskaźnikiem odległości od innej krawędzi niż domyslnie wybrana.

1.Skieruj kursor na strzałkę na końcu linii Wskaźników odległości

2.Najedź kursorem, aby zobaczyć opinie

3.Kliknij strzałkę, aby ją edytować

4.Kliknij dowolną prawidłową krawędź (dowolną widoczną krawędź elementu, która jest równoległa do wybranego elementu lub prostopadła do Wskaźników odległości)

RelinkDG1.gif 

Punkty odniesienia drzwi/okna

Wybierz, które punkty odniesienia drzwi/okna mają być używane:

Do punktów końcowych o nominalnego rozmiaru drzwi/okna: Odmierza wymiar od nominalnego punktu końcowego zaznaczonego elementu do nominalnego punktu końcowego najbliższych drzwi/okna

Do środka drzwi/okna: Odmierza wymiar od punktu środkowego zaznaczonego elementu do punktu środkowego najbliższego elementu drzwi/okna

DistanceGuidesReferencePoints.gif